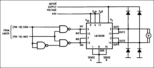
Motortreiber-IC LM18298

This page was updated June 1, 1995